| Mini ventilador turbo per a pila de combustible de 3kw WS9250-24-240-X200 |
Mini ventilador turbo de flux d'aire de 8kPa 28CFM per a cel·la de combustible de 3kw 24v dc sense escombretes centrífuga elèctrica d'alta pressió.
Adequat per a màquines de coixí d'aire / pila de combustible / equips mèdics i inflables.


| Característiques del ventilador |
Nom de marca: Wonsmart
Alta pressió amb motor dc sense escombretes
Tipus de ventilador: Ventilador centrífug
Tensió: 24 vdc
Coixinet: coixinet de boles NMB
Tipus: Ventilador centrífug
Indústries aplicables: planta de fabricació
Tipus de corrent elèctric: DC
Material de la fulla: plàstic
Muntatge: ventilador de sostre
Lloc d'origen: Zhejiang, Xina
Tensió: 24 VDC
Certificació: ce, RoHS, ETL
Garantia: 1 any
Servei postvenda prestat: suport en línia
Life time(MTTF): >20,000hores (menys de 25 graus C)
Pes: 400 grams
Material de la carcassa: PC
Mida de la unitat: 90 * 90 * 50 mm
Tipus de motor: Motor trifàsic DC sense escombretes
Controlador: extern
Pressió estàtica: 8kPa
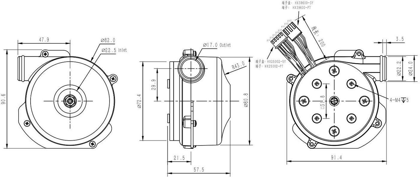
| Dibuix |

| Rendiment del ventilador |
El ventilador WS9250-24-240-X200 pot arribar a un màxim de 44 m3Flux d'aire / h a 0 pressió kpa i pressió estàtica màxima de 8 kpa. Té una potència d'aire de sortida màxima quan aquest ventilador funciona a una resistència de 4,5 kPa si establim 100% PWM, té la màxima eficiència quan aquest ventilador funciona a una resistència de 5,5 kPa si establim 100% PWM. Altres rendiments del punt de càrrega, consulteu la corba PQ a continuació:

| Avantatge del ventilador sense escombretes de CC |
(1) El ventilador WS9250-24-240-X200 té motors sense escombretes i coixinets de boles NMB a l'interior, cosa que indica una vida útil molt llarga; El MTTF d'aquest ventilador pot arribar a més de 15,000hores a una temperatura ambiental de 20 graus C
(2) Aquest ventilador no necessita manteniment
(3) Aquest ventilador accionat per un controlador de motor sense escombretes té moltes funcions de control diferents, com ara la regulació de la velocitat, la sortida de pols de velocitat, l'acceleració ràpida, el fre, etc. Es pot controlar fàcilment mitjançant màquines i equips intel·ligents.
(4) Impulsat pel controlador del motor sense escombretes, el ventilador tindrà proteccions contra sobreintensitat, sota/sobretensió i parada.
| Aplicacions |
Aquest ventilador es pot utilitzar àmpliament en detectors de contaminació de l'aire, llit d'aire, màquina de coixí d'aire i ventiladors.
| Com utilitzar el ventilador correctament: |
Aquest ventilador només pot funcionar en sentit CCW. Invertir la direcció de funcionament de l'impulsor no pot canviar la direcció de l'aire.
Filtreu a l'entrada per protegir el ventilador de la pols i l'aigua.
Mantingueu la temperatura ambiental el més baixa possible per allargar la vida útil del ventilador.
| Preguntes freqüents: |
P: Quan puc obtenir el preu?
R: Normalment cotitzem en un termini de 8 hores després de rebre la vostra consulta.
P: Quin és el vostre MOQ?
R: No hi haurà MOQ, si tenim els productes en estoc. Discutirem el MOQ segons la situació exacta del client.
P: Quant de temps és el vostre termini de lliurament?
R: El termini de lliurament general és de 15-20 dies després de rebre la confirmació de la comanda. Anther, només trigaran 1-2 dies si tenim estoc.
Les característiques de la velocitat i el parell d'un motor de corrent continu varien segons tres fonts de magnetització diferents, camp excitat per separat, camp autoexcitat o camp permanent, que s'utilitzen selectivament per controlar el motor sobre el rang de càrrega mecànica. Els motors de camp autoexcitats poden ser en sèrie, derivació o una ferida composta connectada a l'induït.
Un motor de corrent continu d'imant permanent es caracteritza per una relació lineal entre el parell de parada quan el parell és màxim amb l'eix parat i la velocitat sense càrrega sense parell de l'eix aplicat i la velocitat de sortida màxima. Hi ha una relació de potència quadràtica entre aquests dos punts de l'eix de velocitat.
Etiquetes populars: mini ventilador turbo per a pila de combustible de 3kw, mini ventilador turbo de la Xina per a proveïdors de pila de combustible de 3kw, fabricants, fàbrica







